Installationsexempel faspulskontroll
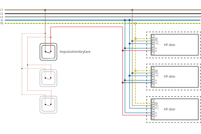
Faspulskontroll med återfjädrande strömbrytare
Återfjädrande strömbrytare utan glimlampa skall användas. Antal don varierar med fabrikat. Samma fas för styrning som matning till HF-donen skall användas. Om fler HF-don eller mer avancerade styrningar önskas, kontakta Fagerhult.
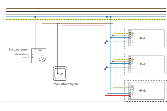
Faspulskontroll med tänd/släckfunktion över närvarosensor
Närvarosensorn släcker efter sista närvaro och tidsfördröjning. Tändning sker till senaste nivå vilket kan vara släckt om ljuset släcktes manuellt. Återfjädrande strömbrytare utan glimlampa skall användas. Maximalt 25 HF-don kan anslutas till styrningen. Samma fas för styrning som matning till HF-donen skall användas. Om fler HF-don eller mer avancerade styrningar önskas, kontakta Fagerhult.

