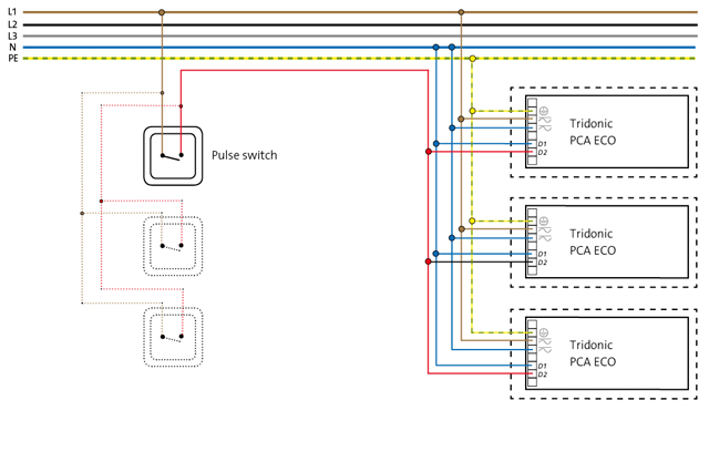
Installation example – Phase-pulse control (impulse)

Phase control with retractable switch HF-ballast PCA ECO

A retractable switch without indicator lamp must be used. Maximum 25 HF-ballasts can be connected to one control. The same phase must be used for control and feeding the HF-ballast. If several HF-ballasts or more advanced control is required, please contact your Fagerhult representative.

Phase control with on/pff function over occupancy detector

The occupancy detector switches off the light after the last occupancy and a time delay.The light is switched on at the last level, which can be off if the light was switched off manually. A retractable switch without indicator lamp must be used. Maximum 25 HF-ballasts can be connected to one control. The same phase must be used for control and feeding the HF-ballast. If several HF-ballasts or more advanced control is required, please contact your Fagerhult representative.

Return to top